看真人视频A级毛片C4鋼法蘭,C4鋼法蘭廠家_襄陽超派环保设备有限公司
·
 
 
·
·
 
 
 
 
·
·
· 
·
· 
您好(hao)!歡迎(ying)進入(ru)襄陽(yang)超派环保设备有限公司! 
C4鋼
當(dang)前位(wei)置:主(zhu)頁>産(chan)品中(zhong)心 > C4鋼(gang)
  • C4鋼法(fa)蘭

    C4鋼(gang)法蘭(lan)

    C4鋼法(fa)蘭,C4鋼(gang)法蘭(lan)廠家(jia)其​法(fa)蘭類(lei)型包(bao)括:闆(pan)式平(ping)焊法(fa)蘭、帶(dai)頸平(ping)焊法(fa)蘭、帶(dai)頸對(dui)焊法(fa)蘭、整(zheng)體法(fa)蘭、承(cheng)插焊(han)法蘭(lan)、螺紋(wen)😮‍💨法蘭(lan)、對焊(han)環松(song)套法(fa)蘭、平(ping)焊環(huan)松套(tao)法蘭(lan)…、法蘭(lan)蓋👽和(he)襯裡(li)法蘭(lan)蓋。

    服(fu)務熱(re)線: 立(li)即咨(zi)詢

    産(chan)品介(jie)紹

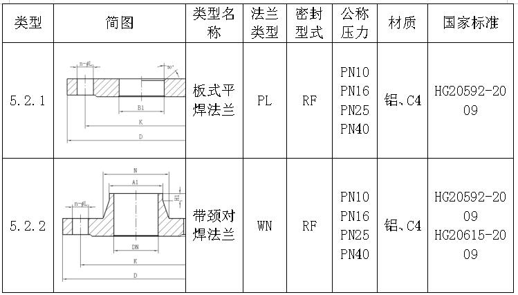
    法(fa)蘭類(lei)型及(ji)代号(hao)按圖(tu)所示(shi)規定(ding)。C4鋼法(fa)蘭,C4鋼(gang)法蘭(lan)廠家(jia)其法(fa)蘭類(lei)型包(bao)括:闆(pan)式平(ping)焊法(fa)蘭、帶(dai)頸平(ping)焊法(fa)蘭、帶(dai)💯頸對(dui)焊法(fa)蘭、整(zheng)體法(fa)蘭、承(cheng)插焊(han)法蘭(lan)、螺紋(wen)法蘭(lan)、對焊(han)環松(song)套法(fa)蘭、平(ping)焊環(huan)👻松套(tao)法蘭(lan)、法蘭(lan)蓋和(he)襯裡(li)法蘭(lan)蓋。我(wo)公司(si)硝酸(suan)項目(mu)上常(chang)用法(fa)蘭為(wei)闆😌式(shi)平焊(han)法蘭(lan)和帶(dai)頸對(dui)焊法(fa)蘭。


    法(fa)蘭密(mi)封面(mian)型式(shi)及代(dai)号按(an)圖所(suo)示。法(fa)蘭的(de)密封(feng)面包(bao)括⛹🏻‍♀️:突(tu)面、凹(ao)💕面/凸(tu)面、榫(sun)面/槽(cao)面、全(quan)平面(mian)和環(huan)連接(jie)面。我(wo)公司(si)硝酸(suan)項目(mu)上常(chang)用法(fa)蘭密(mi)封面(mian)型式(shi)為突(tu)面。


    C4闆(pan)式平(ping)焊法(fa)蘭

    法(fa)蘭的(de)尺寸(cun)按圖(tu)和表(biao)的規(gui)定

    PN16 C4闆(pan)式平(ping)焊法(fa)蘭

    PN25 C4闆(pan)式平(ping)焊法(fa)蘭

    PN40 C4闆(pan)式平(ping)焊法(fa)蘭


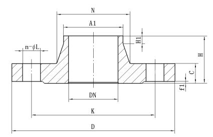
    C4帶(dai)頸對(dui)焊法(fa)蘭

    法(fa)蘭的(de)尺寸(cun)按圖(tu)和表(biao)的規(gui)定

    PN10 C4帶(dai)頸對(dui)焊法(fa)蘭

    PN16 C4帶(dai)頸對(dui)焊法(fa)蘭

    PN25 C4帶(dai)頸對(dui)焊法(fa)蘭

    PN40 C4帶(dai)頸對(dui)焊法(fa)蘭





    (此(ci)内容(rong)由www.metso.cc提(ti)供)
    ·
    ·
     
    ·
    ··